Проєкти
Референс-лист робіт ТОВ «НВП «ЕНЕРГО-ПЛЮС» з 2013 року налічує більше 100 реалізованих проектів.
Всі категорії проєктів
Навчання за програмою «Перетворювачі частоти Altivar Process 930» (Шнейдер Електрик Україна)
Детальніше

Підписання договору про співпрацю між Кременчуцьким національним університетом імені Михайла Острогр...
Детальніше

Майстер-клас на тему: «Структура, принципи проектування та налаштування сучасних частотно-регульован...
Детальніше

Лабораторний стенд «Навчальний стенд Altivar Machine» для дослідження систем частотно-регульованого ...
Детальніше

Ліцензоване програмне забезпечення DIgSILENT PowerFactory 2019 Education Licence PF4E
Детальніше

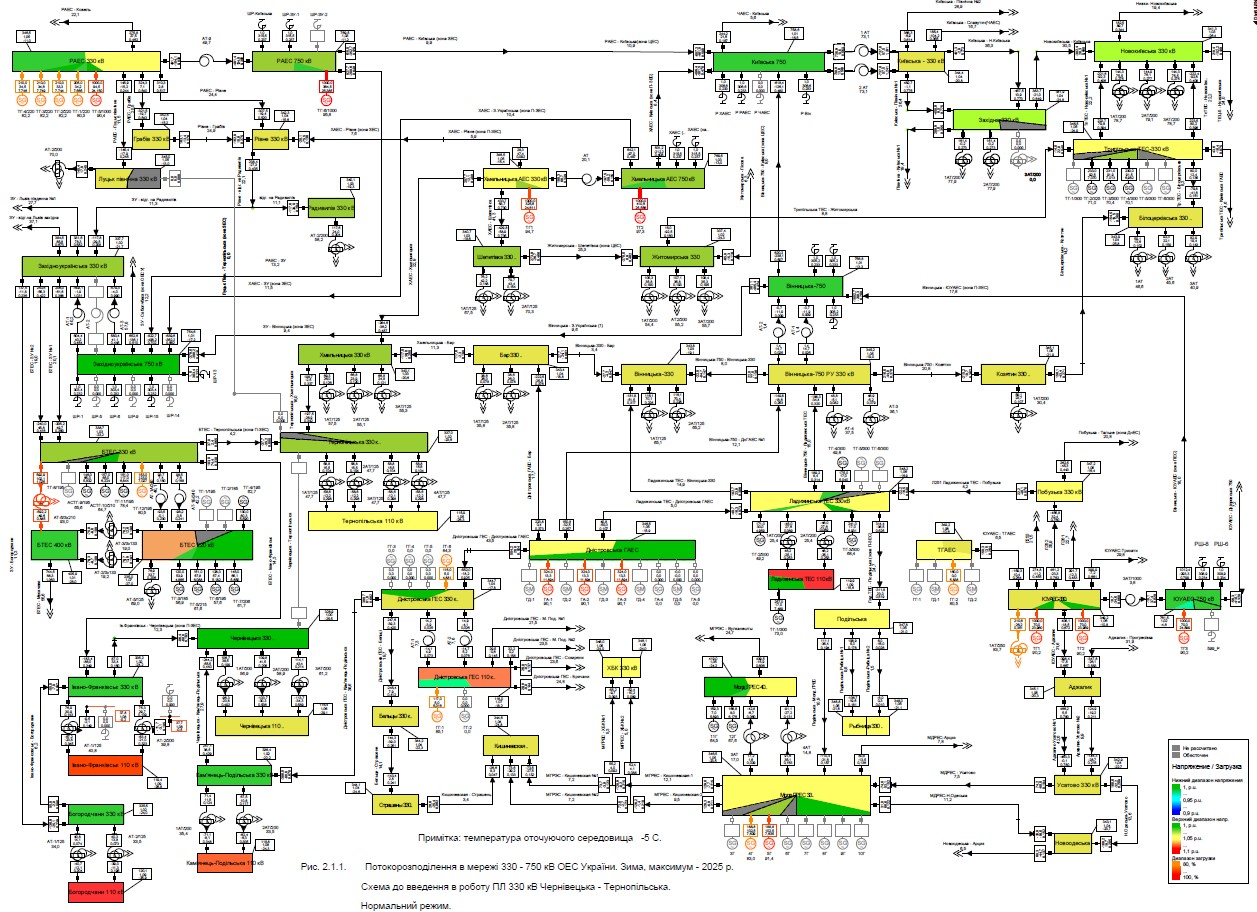
Нове будівництво повітряної лінії 330 кВ Чернівецька – Тернопільська з реконструкцією ПС 330 к...
Детальніше

Реконструкція схеми зовнішнього електрозабезпечення підприємств «FERREXPO» за умови збільшення наван...
Детальніше

Уточнення розрахунків режимів та струмів к.з. у зв’язку із введенням Краматорської ВЕС потужністю 66...
Детальніше

ТЕО об’єкту «Нове будівництво ПЛ 330 кВ Дністровська ГАЕС – ПС 750 кВ «Вінницька» Вінницька та Черні...
Детальніше
